Abstract
Eva M. Herzig: „Particle-stabilised emulsions: "bijels and ageing of droplet emulsions" - and a journey into the fuel cell industry”
SFC Energy AG, München
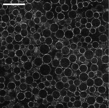
Bijels are bicontinuous interfacially jammed emulsion gels. A novel emulsion where silica particles stabilise the interfaces of a convoluted network of two liquids created during demixing via spinodal decomposition. Initially postulated by simulations [1] I created the first real bijel in a dark lab in Edinburgh. Thanks to the also present confocal microscope its formation was recorded and further studied [2].
Parallel to this work X-ray photon correlation spectroscopy was used to study the ageing behaviour of particle-stabilised droplet emulsions. These droplets have a rigid shell and can be considered as a model system that is slowly compacted under gravity. This process happens on a time scale of 10's of minutes. It is therefore well suited to examine the final decay of the correlation function, showing different behaviour as observed so far [3].
After my PhD I moved back to Germany to work as a project manager in R&D for a fuel cell company. To sell fuel cells a lot more is needed than a method of conversion of chemical energy into electricity. I will give a brief overview of the challenges in technology related industry. [4]
![]() |
![]() |
![]() |
References
- Stratford et al., Science, 209, 2005, pp 2198-2201
- Herzig et al., Nature Materials, 6, 2007, pp 966-971
- Herzig et al., Phys. Rev. E 79, 2009, 011405
- www.sfc.com



